RX68減速電機詳細信息
RX68減速電機
RX68減速電機功率計算公式:齒輪減速馬達
觀光小火車參數:鏈輪直徑125,拉動3.7噸,運輸一分鐘42米
42米÷(0.125鏈輪直徑X3.14)=107轉每分鐘
3.7噸換算成N=37000N
37000×0.0625鏈輪半徑×0.3橡膠輪水泥路的摩擦系數=693.75N.m
通常確保萬無一失,我們會把輸出扭矩放大兩倍693.75×2=1387.5N.m
電機轉數1400÷輸出轉數107=13.08比
1387.5N.m輸出扭矩÷13.08比=106.08N.m電機扭矩
106.08N.m電機扭矩換算成功率6.83KW以上
對應的RX68減速機型號參數:
型號:RX68-BVP7.5KW
減速比:13.08
輸出轉數:107轉每分鐘
輸出扭矩:1400N.m
安全系數:1.90
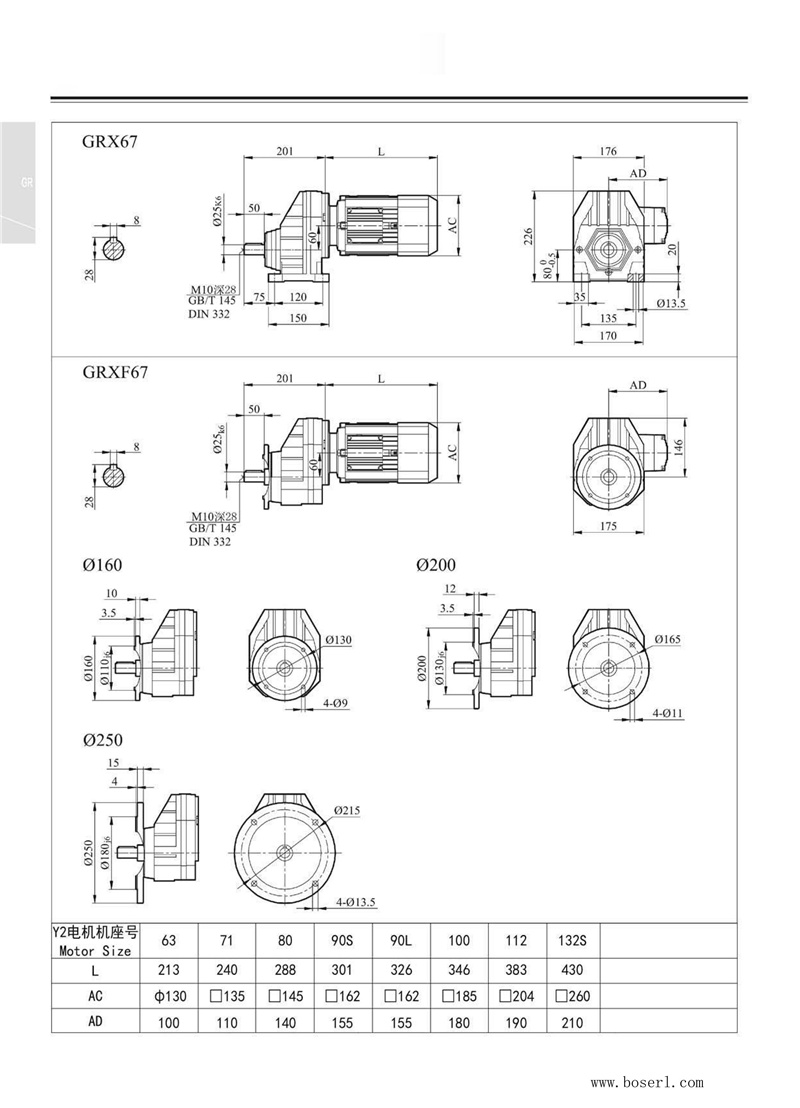
RX68減速機基座尺寸:輸出軸Φ20+鍵2.5(可定做),高134*寬135*長174(帶輸出軸)RX系列減速機

RX68臥式斜齒輪硬齒面減速機型號:

RX68減速電機型號參數:同軸斜齒輪減速電機
RX68減速機配0.12KW電機參數
| 型號 | 功率 | 輸出轉數 | 輸出扭矩 | 服務系數 |
| RX68-Y0.12KW | 0.12KW | 6.9rpm | 166N.m | 3.60 |
| RX68-Y0.12KW | 0.12KW | 7.5rpm | 153N.m | 3.90 |
RX68減速機配0.18KW電機參數
| 型號 | 功率 | 輸出轉數 | 輸出扭矩 | 服務系數 |
| RX68-Y0.18KW | 0.18KW | 6.60rpm | 260N.m | 2.30 |
| RX68-Y0.18KW | 0.18KW | 7.20rpm | 235N.m | 2.50 |
| RX68-Y0.18KW | 0.18KW | 8.40rpm | 205N.m | 2.90 |
| RX68-Y0.18KW | 0.18KW | 9.60rpm | 179N.m | 3.40 |
| RX68-Y0.18KW | 0.18KW | 10.0rpm | 168N.m | 3.60 |
| RX68-Y0.18KW | 0.18KW | 12.0rpm | 148N.m | 4.00 |
| RX68-Y0.18KW | 0.18KW | 12.0rpm | 138N.m | 4.40 |
RX68減速機配0.25KW電機參數
| 型號 | 功率 | 輸出轉數 | 輸出扭矩 | 服務系數 |
| RX68-Y0.25KW | 0.25KW | 6.50rpm | 365N.m | 1.65 |
| RX68-Y0.25KW | 0.25KW | 7.10rpm | 335N.m | 1.80 |
| RX68-Y0.25KW | 0.25KW | 8.20rpm | 290N.m | 2.10 |
| RX68-Y0.25KW | 0.25KW | 9.40rpm | 250N.m | 2.40 |
| RX68-Y0.25KW | 0.25KW | 10.0rpm | 235N.m | 2.50 |
| RX68-Y0.25KW | 0.25KW | 11.0rpm | 205N.m | 2.90 |
| RX68-Y0.25KW | 0.25KW | 12.0rpm | 194N.m | 3.10 |
| RX68-Y0.25KW | 0.25KW | 14.0rpm | 176N.m | 3.40 |
| RX68-Y0.25KW | 0.25KW | 15.0rpm | 158N.m | 3.80 |
RX68減速機配0.37KW電機參數
| 型號 | 功率 | 輸出轉數 | 輸出扭矩 | 服務系數 |
| RX68-Y0.37KW | 0.37KW | 6.90rpm | 510N.m | 1.15 |
| RX68-Y0.37KW | 0.37KW | 7.50rpm | 470N.m | 1.25 |
| RX68-Y0.37KW | 0.37KW | 8.70rpm | 400N.m | 1.50 |
| RX68-Y0.37KW | 0.37KW | 10.0rpm | 450N.m | 1.70 |
| RX68-Y0.37KW | 0.37KW | 11.0rpm | 330N.m | 1.80 |
| RX68-Y0.37KW | 0.37KW | 12.0rpm | 290N.m | 2.10 |
| RX68-Y0.37KW | 0.37KW | 13.0rpm | 270N.m | 2.20 |
| RX68-Y0.37KW | 0.37KW | 14.0rpm | 245N.m | 2.40 |
| RX68-Y0.37KW | 0.37KW | 16.0rpm | 220N.m | 2.70 |
| RX68-Y0.37KW | 0.37KW | 19.0rpm | 190N.m | 3.20 |
| RX68-Y0.37KW | 0.37KW | 20.0rpm | 179N.m | 3.40 |
| RX68-Y0.37KW | 0.37KW | 23.0rpm | 157N.m | 3.80 |
| RX68-Y0.37KW | 0.37KW | 24.0rpm | 146N.m | 4.10 |
RX68減速機配0.55KW電機參數
| 型號 | 功率 | 輸出轉數 | 輸出扭矩 | 服務系數 |
| RX68-Y0.55KW | 0.55KW | 8.70rpm | 600N.m | 1.00 |
| RX68-Y0.55KW | 0.55KW | 10.0rpm | 520N.m | 1.15 |
| RX68-Y0.55KW | 0.55KW | 11.0rpm | 490N.m | 1.20 |
| RX68-Y0.55KW | 0.55KW | 12.0rpm | 430N.m | 1.40 |
| RX68-Y0.55KW | 0.55KW | 13.0rpm | 400N.m | 1.50 |
| RX68-Y0.55KW | 0.55KW | 14.0rpm | 365N.m | 1.65 |
| RX68-Y0.55KW | 0.55KW | 16.0rpm | 325N.m | 1.85 |
| RX68-Y0.55KW | 0.55KW | 19.0rpm | 280N.m | 2.10 |
| RX68-Y0.55KW | 0.55KW | 20.0rpm | 265N.m | 2.30 |
| RX68-Y0.55KW | 0.55KW | 23.0rpm | 230N.m | 2.60 |
| RX68-Y0.55KW | 0.55KW | 24.0rpm | 215N.m | 2.80 |
RX68減速機配0.75KW電機參數
| 型號 | 功率 | 輸出轉數 | 輸出扭矩 | 服務系數 |
| RX68-Y0.75KW | 0.75KW | 11.0rpm | 640N.m | 0.95 |
| RX68-Y0.75KW | 0.75KW | 13.0rpm | 565N.m | 1.05 |
| RX68-Y0.75KW | 0.75KW | 14.0rpm | 525N.m | 1.15 |
| RX68-Y0.75KW | 0.75KW | 15.0rpm | 475N.m | 1.25 |
| RX68-Y0.75KW | 0.75KW | 17.0rpm | 425N.m | 1.40 |
| RX68-Y0.75KW | 0.75KW | 19.0rpm | 370N.m | 1.60 |
| RX68-Y0.75KW | 0.75KW | 21.0rpm | 345N.m | 1.70 |
| RX68-Y0.75KW | 0.75KW | 23.0rpm | 305N.m | 1.95 |
| RX68-Y0.75KW | 0.75KW | 25.0rpm | 280N.m | 2.10 |
| RX68-Y0.75KW | 0.75KW | 28.0rpm | 255N.m | 2.30 |
| RX68-Y0.75KW | 0.75KW | 31.0rpm | 230N.m | 2.60 |
RX68減速機配1.1KW電機參數
| 型號 | 功率 | 輸出轉數 | 輸出扭矩 | 服務系數 |
| RX68-Y1.1KW | 1.1KW | 16.0rpm | 635N.m | 0.95 |
| RX68-Y1.1KW | 1.1KW | 19.0rpm | 545N.m | 1.10 |
| RX68-Y1.1KW | 1.1KW | 20.0rpm | 515N.m | 1.15 |
| RX68-Y1.1KW | 1.1KW | 23.0rpm | 450N.m | 1.30 |
| RX68-Y1.1KW | 1.1KW | 25.0rpm | 420N.m | 1.45 |
| RX68-Y1.1KW | 1.1KW | 28.0rpm | 380N.m | 1.55 |
| RX68-Y1.1KW | 1.1KW | 31.0rpm | 340N.m | 1.75 |
| RX68-Y1.1KW | 1.1KW | 36.0rpm | 295N.m | 1.95 |
| RX68-Y1.1KW | 1.1KW | 38.0rpm | 275N.m | 2.00 |
| RX68-Y1.1KW | 1.1KW | 44.0rpm | 235N.m | 2.30 |
| RX68-Y1.1KW | 1.1KW | 49.0rpm | 210N.m | 2.40 |
| RX68-Y1.1KW | 1.1KW | 50.0rpm | 205N.m | 2.60 |
| RX68-Y1.1KW | 1.1KW | 53.0rpm | 198N.m | 2.70 |
| RX68-Y1.1KW | 1.1KW | 61.0rpm | 173N.m | 3.20 |
| RX68-Y1.1KW | 1.1KW | 71.0rpm | 147N.m | 4.10 |
RX68減速機配1.5KW電機參數
| 型號 | 功率 | 輸出轉數 | 輸出扭矩 | 服務系數 |
| RX68-Y1.5KW | 1.5KW | 23.0rpm | 610N.m | 1.00 |
| RX68-Y1.5KW | 1.5KW | 25.0rpm | 565N.m | 1.05 |
| RX68-Y1.5KW | 1.5KW | 28.0rpm | 515N.m | 1.15 |
| RX68-Y1.5KW | 1.5KW | 31.0rpm | 460N.m | 1.30 |
| RX68-Y1.5KW | 1.5KW | 36.0rpm | 395N.m | 1.45 |
| RX68-Y1.5KW | 1.5KW | 38.0rpm | 375N.m | 1.50 |
| RX68-Y1.5KW | 1.5KW | 44.0rpm | 320N.m | 1.65 |
| RX68-Y1.5KW | 1.5KW | 50.0rpm | 285N.m | 1.80 |
| RX68-Y1.5KW | 1.5KW | 51.0rpm | 280N.m | 1.90 |
| RX68-Y1.5KW | 1.5KW | 54.0rpm | 265N.m | 2.00 |
| RX68-Y1.5KW | 1.5KW | 61.0rpm | 230N.m | 2.40 |
| RX68-Y1.5KW | 1.5KW | 72.0rpm | 199N.m | 3.00 |
| RX68-Y1.5KW | 1.5KW | 80.0rpm | 180N.m | 3.30 |
RX68減速機配2.2KW電機參數
| 型號 | 功率 | 輸出轉數 | 輸出扭矩 | 服務系數 |
| RX68-Y2.2KW | 2.2KW | 36.0rpm | 585N.m | 1.00 |
| RX68-Y2.2KW | 2.2KW | 38.0rpm | 550N.m | 1.05 |
| RX68-Y2.2KW | 2.2KW | 44.0rpm | 475N.m | 1.15 |
| RX68-Y2.2KW | 2.2KW | 49.0rpm | 425N.m | 1.20 |
| RX68-Y2.2KW | 2.2KW | 61.0rpm | 345N.m | 1.60 |
| RX68-Y2.2KW | 2.2KW | 72.0rpm | 290N.m | 2.00 |
| RX68-Y2.2KW | 2.2KW | 79.0rpm | 260N.m | 2.20 |
| RX68-Y2.2KW | 2.2KW | 90.0rpm | 230N.m | 2.40 |
| RX68-Y2.2KW | 2.2KW | 96.0rpm | 215N.m | 2.50 |
| RX68-Y2.2KW | 2.2KW | 112rpm | 187N.m | 2.80 |
| RX68-Y2.2KW | 2.2KW | 123rpm | 170N.m | 2.90 |
| RX68-Y2.2KW | 2.2KW | 143rpm | 147N.m | 3.20 |
| RX68-Y2.2KW | 2.2KW | 164rpm | 128N.m | 3.40 |
| RX68-Y2.2KW | 2.2KW | 183rpm | 115N.m | 3.30 |
RX68減速機配3KW電機參數
| 型號 | 功率 | 輸出轉數 | 輸出扭矩 | 服務系數 |
| RX68-Y3KW | 3KW | 73.0rpm | 390N.m | 1.55 |
| RX68-Y3KW | 3KW | 81.0rpm | 350N.m | 1.65 |
| RX68-Y3KW | 3KW | 92.0rpm | 310N.m | 1.80 |
| RX68-Y3KW | 3KW | 98.0rpm | 290N.m | 1.85 |
| RX68-Y3KW | 3KW | 62.0rpm | 460N.m | 1.20 |
| RX68-Y3KW | 3KW | 115rpm | 250N.m | 2.10 |
| RX68-Y3KW | 3KW | 126rpm | 225N.m | 2.20 |
| RX68-Y3KW | 3KW | 146rpm | 197N.m | 2.40 |
RX68減速機配4KW電機參數
| 型號 | 功率 | 輸出轉數 | 輸出扭矩 | 服務系數 |
| RX68-Y4KW | 4KW | 73.0rpm | 520N.m | 1.15 |
| RX68-Y4KW | 4KW | 81.0rpm | 465N.m | 1.25 |
| RX68-Y4KW | 4KW | 92.0rpm | 410N.m | 1.35 |
| RX68-Y4KW | 4KW | 98.0rpm | 390N.m | 1.40 |
| RX68-Y4KW | 4KW | 115rpm | 330N.m | 1.55 |
| RX68-Y4KW | 4KW | 127rpm | 300N.m | 1.65 |
| RX68-Y4KW | 4KW | 146rpm | 260N.m | 1.80 |
| RX68-Y4KW | 4KW | 168rpm | 225N.m | 1.95 |
| RX68-Y4KW | 4KW | 187rpm | 200N.m | 1.85 |
| RX68-Y4KW | 4KW | 198rpm | 193N.m | 1.90 |
| RX68-Y4KW | 4KW | 233rpm | 164N.m | 2.00 |
| RX68-Y4KW | 4KW | 256rpm | 149N.m | 2.10 |
| RX68-Y4KW | 4KW | 296rpm | 129N.m | 2.20 |
| RX68-Y4KW | 4KW | 340rpm | 112N.m | 2.40 |
RX68減速機配5.5KW電機參數
| 型號 | 功率 | 輸出轉數 | 輸出扭矩 | 服務系數 |
| RX68-Y5.5KW | 5.5KW | 92.0rpm | 570N.m | 1.00 |
| RX68-Y5.5KW | 5.5KW | 98.0rpm | 535N.m | 1.00 |
| RX68-Y5.5KW | 5.5KW | 115rpm | 455N.m | 1.15 |
| RX68-Y5.5KW | 5.5KW | 126rpm | 415N.m | 1.20 |
| RX68-Y5.5KW | 5.5KW | 146rpm | 360N.m | 1.30 |
| RX68-Y5.5KW | 5.5KW | 167rpm | 310N.m | 1.40 |
| RX68-Y5.5KW | 5.5KW | 187rpm | 280N.m | 1.35 |
| RX68-Y5.5KW | 5.5KW | 198rpm | 265N.m | 1.40 |
| RX68-Y5.5KW | 5.5KW | 232rpm | 225N.m | 1.45 |
| RX68-Y5.5KW | 5.5KW | 255rpm | 205N.m | 1.50 |
| RX68-Y5.5KW | 5.5KW | 295rpm | 178N.m | 1.65 |
| RX68-Y5.5KW | 5.5KW | 339rpm | 155N.m | 1.75 |
RX68減速機配7.5KW電機參數
| 型號 | 功率 | 輸出轉數 | 輸出扭矩 | 服務系數 |
| RX68-Y7.5KW | 7.5KW | 116rpm | 615N.m | 0.85 |
| RX68-Y7.5KW | 7.5KW | 127rpm | 560N.m | 0.90 |
| RX68-Y7.5KW | 7.5KW | 147rpm | 485N.m | 0.95 |
| RX68-Y7.5KW | 7.5KW | 169rpm | 420N.m | 1.05 |
| RX68-Y7.5KW | 7.5KW | 189rpm | 375N.m | 1.00 |
| RX68-Y7.5KW | 7.5KW | 200rpm | 355N.m | 1.05 |
| RX68-Y7.5KW | 7.5KW | 235rpm | 305N.m | 1.10 |
| RX68-Y7.5KW | 7.5KW | 258rpm | 275N.m | 1.10 |
| RX68-Y7.5KW | 7.5KW | 298rpm | 240N.m | 1.20 |
| RX68-Y7.5KW | 7.5KW | 342rpm | 205N.m | 1.30 |
| RX68-Y7.5KW | 7.5KW | 184rpm | 385N.m | 0.90 |
| RX68-Y7.5KW | 7.5KW | 195rpm | 365N.m | 0.95 |
| RX68-Y7.5KW | 7.5KW | 229rpm | 310N.m | 1.05 |
RX68減速電機生產工廠展示:看廠請聯系微信13827261050,獲取位置,需提前一天預約
推薦類似型號:R68減速機
關鍵詞:GRX系列減速機一體式_RX系列減速器_減速器電機一體式_減速機馬達一體式_RX系列減速機_RX型減速機_電機減速機一體式_GRX系列減速機_減速機電機一體式
RX系列斜齒輪減速機型號:RX58減速機,RX68減速機,RX78減速機,RX88減速機,RX98減速機,RX108減速機
RX系列齒輪減速馬達可配變頻電機,剎車電機,防爆電機,伺服電機,交流電機,直流電機,三相電機,單相電機 0.12KW-45KW之間
如需工程師幫選型,請加微信13827261050,留言告知工程師參數要求
標簽:   RX68減速電機 RX67臥式斜齒輪硬齒面減速機 RX67減速機功率 RX67減速機基座尺寸 RX67減速機模型 RX67減速機型號參數
