FA158減速機詳細信息
FA158減速機
FA158減速機選型計算:齒輪減速馬達
滑軌輸送機參數:拉動95000Kg,齒輪直徑φ220mm,行駛速度0.46m/s
運輸速度0.46m×60s=27.6m每分鐘
3.14(圓周率)×0.22m(齒輪直徑220mm)=0.6908m
27.6m÷0.6908m=39.95r/min輸出轉數
輸送物流95000Kg換算成N=931000n
931000n×0.11齒輪半徑×0.06摩擦系數=6144.6×2=12289.2N.m輸出扭矩
1400電機輸入轉速÷39.95r/min=35.04減速比
12289.2N.m輸出扭矩÷35.04減速比=350.72N.m電機扭矩
350.72N.m電機扭矩換算成電機功率=55.67KW左右
對應的FA158減速機選型參數:
型號:FA158-BVP55KW
減速比:32.55
輸出轉數:45轉
輸出扭矩:11500N.m
安全系數:1.55
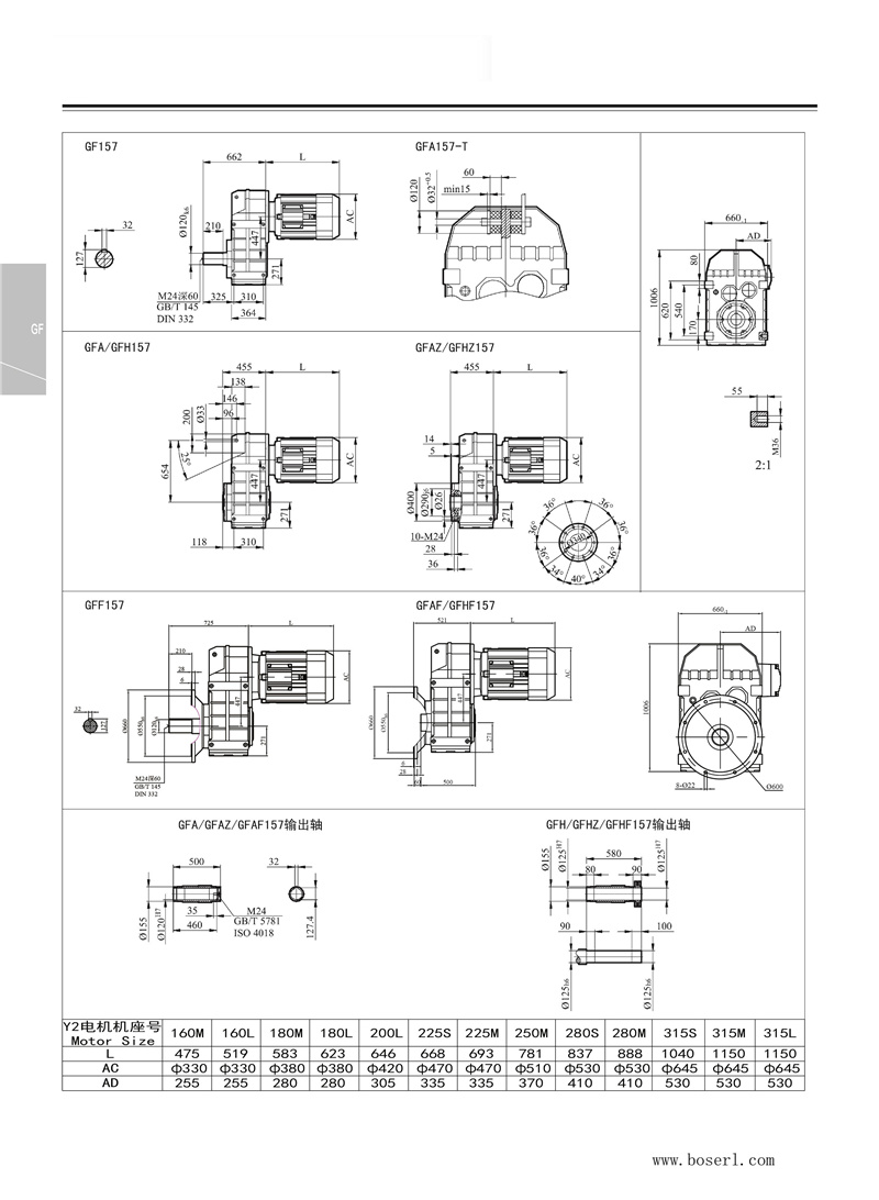
FA158減速機平面圖紙:輸出軸Φ20+鍵2.5(可定做),高134*寬135*長174(帶輸出軸)分體減速機電機

FA158斜齒輪平行軸減速機型號:

FA158系列減速機參數大全:平行軸斜齒輪減速機
減速機配11KW電機參數
| 型號 | 速比 | 功率 | 重量 | 沖擊力 |
| F157Y11KW | 267.43 | 11KW | 1065kg | 97000N |
| F157Y11KW | 217.62 | 11KW | 1065kg | 106900N |
| F157Y11KW | 178.20 | 11KW | 1065kg | 112900N |
| F157Y11KW | 162.96 | 11KW | 1065kg | 114800N |
| F157Y11KW | 141.80 | 11KW | 1065kg | 117100N |
| F157Y11KW | 125.14 | 11KW | 1065kg | 118700N |
| F157Y11KW | 108.49 | 11KW | 1065kg | 120000N |
| F157Y11KW | 96.53 | 11KW | 1065kg | 120000N |
| F157Y11KW | 85.80 | 11KW | 1065kg | 117400N |
| F157Y11KW | 78.46 | 11KW | 1065kg | 115000N |
| F157Y11KW | 68.28 | 11KW | 1065kg | 111300N |
減速機配15KW電機參數
| 型號 | 速比 | 功率 | 重量 | 沖擊力 |
| F157Y15KW | 217.62 | 15KW | 1085kg | 89000N |
| F157Y15KW | 178.20 | 15KW | 1085kg | 101900N |
| F157Y15KW | 162.96 | 15KW | 1085kg | 105900N |
| F157Y15KW | 141.80 | 15KW | 1085kg | 110600N |
| F157Y15KW | 125.14 | 15KW | 1085kg | 113700N |
| F157Y15KW | 108.49 | 15KW | 1085kg | 116400N |
| F157Y15KW | 96.53 | 15KW | 1085kg | 115700N |
| F157Y15KW | 85.80 | 15KW | 1085kg | 113200N |
| F157Y15KW | 78.46 | 15KW | 1085kg | 111100N |
| F157Y15KW | 68.28 | 15KW | 1085kg | 108000N |
| F157Y15KW | 60.25 | 15KW | 1085kg | 105100N |
減速機配18.5KW電機參數
| 型號 | 速比 | 功率 | 重量 | 沖擊力 |
| F157Y18.5KW | 178.20 | 18.5KW | 1122kg | 88200N |
| F157Y18.5KW | 162.96 | 18.5KW | 1122kg | 95000N |
| F157Y18.5KW | 141.80 | 18.5KW | 1122kg | 102800N |
| F157Y18.5KW | 125.14 | 18.5KW | 1122kg | 107900N |
| F157Y18.5KW | 108.49 | 18.5KW | 1122kg | 112100N |
| F157Y18.5KW | 96.53 | 18.5KW | 1122kg | 111300N |
| F157Y18.5KW | 85.80 | 18.5KW | 1122kg | 109300N |
| F157Y18.5KW | 78.46 | 18.5KW | 1122kg | 107600N |
| F157Y18.5KW | 68.28 | 18.5KW | 1122kg | 104900N |
| F157Y18.5KW | 60.25 | 18.5KW | 1122kg | 102300N |
| F157Y18.5KW | 52.24 | 18.5KW | 1122kg | 99400N |
減速機配22KW電機參數
| 型號 | 速比 | 功率 | 重量 | 沖擊力 |
| F157Y22KW | 141.80 | 22KW | 1135kg | 93100N |
| F157Y22KW | 125.14 | 22KW | 1135kg | 100800N |
| F157Y22KW | 108.49 | 22KW | 1135kg | 107000N |
| F157Y22KW | 96.53 | 22KW | 1135kg | 1069000N |
| F157Y22KW | 85.80 | 22KW | 1135kg | 105200N |
| F157Y22KW | 78.46 | 22KW | 1135kg | 103900N |
| F157Y22KW | 68.28 | 22KW | 1135kg | 101600N |
| F157Y22KW | 60.25 | 22KW | 1135kg | 99500N |
| F157Y22KW | 52.24 | 22KW | 1135kg | 96800N |
| F157Y22KW | 46.48 | 22KW | 1135kg | 94600N |
| F157Y22KW | 40.06 | 22KW | 1135kg | 91800N |
| F157Y22KW | 32.55 | 22KW | 1135kg | 87700N |
減速機配30KW電機參數
| 型號 | 速比 | 功率 | 重量 | 沖擊力 |
| F157Y30KW | 108.49 | 30KW | 1203kg | 89800N |
| F157Y30KW | 96.53 | 30KW | 1203kg | 96900N |
| F157Y30KW | 85.80 | 30KW | 1203kg | 96400N |
| F157Y30KW | 78.46 | 30KW | 1203kg | 95800N |
| F157Y30KW | 68.28 | 30KW | 1203kg | 94600N |
| F157Y30KW | 60.25 | 30KW | 1203kg | 93200N |
| F157Y30KW | 52.24 | 30KW | 1203kg | 91400N |
| F157Y30KW | 46.68 | 30KW | 1203kg | 89800N |
| F157Y30KW | 40.06 | 30KW | 1203kg | 87600N |
減速機配37KW電機參數
| 型號 | 速比 | 功率 | 重量 | 沖擊力 |
| F157Y37KW | 85.80 | 37KW | 1250kg | 88600N |
| F157Y37KW | 78.46 | 37KW | 1250kg | 88700N |
| F157Y37KW | 68.28 | 37KW | 1250kg | 88400N |
| F157Y37KW | 60.25 | 37KW | 1250kg | 87800N |
| F157Y37KW | 52.24 | 37KW | 1250kg | 86700N |
| F157Y37KW | 46.48 | 37KW | 1250kg | 85600N |
| F157Y37KW | 40.06 | 37KW | 1250kg | 84000N |
| F157Y37KW | 32.55 | 37KW | 1250kg | 81300N |
| F157Y37KW | 27.60 | 37KW | 1250kg | 79000N |
減速機配45KW電機參數
| 型號 | 速比 | 功率 | 重量 | 沖擊力 |
| F157Y45KW | 68.28 | 45KW | 1285kg | 81400N |
| F157Y45KW | 60.25 | 45KW | 1285kg | 81600N |
| F157Y45KW | 52.24 | 45KW | 1285kg | 81300N |
| F157Y45KW | 46.48 | 45KW | 1285kg | 80800N |
| F157Y45KW | 40.06 | 45KW | 1285kg | 79800N |
| F157Y45KW | 32.55 | 45KW | 1285kg | 78000N |
| F157Y45KW | 27.60 | 45KW | 1285kg | 76200N |
減速機配55KW電機參數
| 型號 | 速比 | 功率 | 重量 | 沖擊力 |
| F157Y55KW | 60.25 | 55KW | 1370kg | 73800N |
| F157Y55KW | 52.24 | 55KW | 1370kg | 74600N |
| F157Y55KW | 46.48 | 55KW | 1370kg | 74800N |
| F157Y55KW | 40.06 | 55KW | 1370kg | 74700N |
| F157Y55KW | 32.55 | 55KW | 1370kg | 73800N |
| F157Y55KW | 27.60 | 55KW | 1370kg | 72600N |
| F157Y55KW | 28.60 | 55KW | 1370kg | 72900N |
| F157Y55KW | 25.43 | 55KW | 1370kg | 71900N |
| F157Y55KW | 22.16 | 55KW | 1370kg | 70600N |
| F157Y55KW | 19.77 | 55KW | 1370kg | 69400N |
| F157Y55KW | 16.85 | 55KW | 1370kg | 67600N |
減速機配75KW電機參數
| 型號 | 速比 | 功率 | 重量 | 沖擊力 |
| F157Y75KW | 46.48 | 75KW | 1510kg | 62900N |
| F157Y75KW | 40.06 | 75KW | 1510kg | 64400N |
| F157Y75KW | 32.55 | 75KW | 1510kg | 65400N |
| F157Y75KW | 27.60 | 75KW | 1510kg | 65500N |
| F157Y75KW | 28.60 | 75KW | 1510kg | 65500N |
| F157Y75KW | 25.43 | 75KW | 1510kg | 65400N |
| F157Y75KW | 22.16 | 75KW | 1510kg | 64900N |
| F157Y75KW | 19.77 | 75KW | 1510kg | 64300N |
| F157Y75KW | 16.85 | 75KW | 1510kg | 63200N |
| F157Y75KW | 13.96 | 75KW | 1510kg | 61600N |
| F157Y75KW | 11.92 | 75KW | 1510kg | 60100N |
減速機配90KW電機參數
| 型號 | 速比 | 功率 | 重量 | 沖擊力 |
| F157Y90KW | 32.55 | 90KW | 1620kg | 59100N |
| F157Y90KW | 27.60 | 90KW | 1620kg | 60200N |
| F157Y90KW | 22.16 | 90KW | 1620kg | 60600N |
| F157Y90KW | 19.77 | 90KW | 1620kg | 60500N |
| F157Y90KW | 16.85 | 90KW | 1620kg | 59900N |
| F157Y90KW | 13.96 | 90KW | 1620kg | 58900N |
| F157Y90KW | 11.92 | 90KW | 1620kg | 57800N |
減速機配110KW電機參數
| 型號 | 速比 | 功率 | 重量 | 沖擊力 |
| F157Y110KW | 27.6 | 110KW | 1870kg | 53100N |
| F157Y110KW | 22.16 | 110KW | 1870kg | 54900N |
| F157Y110KW | 19.77 | 110KW | 1870kg | 55400N |
| F157Y110KW | 16.85 | 110KW | 1870kg | 55600N |
| F157Y110KW | 13.96 | 110KW | 1870kg | 55300N |
| F157Y110KW | 11.92 | 110KW | 1870kg | 54700N |
減速機配132KW電機參數
| 型號 | 速比 | 功率 | 重量 | 沖擊力 |
| F157Y132KW | 22.16 | 132KW | 2000kg | 48700N |
| F157Y132KW | 19.77 | 132KW | 2000kg | 49800N |
| F157Y132KW | 16.85 | 132KW | 2000kg | 50900N |
| F157Y132KW | 13.96 | 132KW | 2000kg | 51400N |
| F157Y132KW | 11.92 | 132KW | 2000kg | 51400N |
FA158減速機生產工廠展示:看廠請聯系微信13827261050,獲取位置,需提前一天預約
推薦類似型號:F158減速機
關鍵詞:GFA系列減速器配馬達一體式_分體電機減速機_分體減速機_分體減速機電機_分體電機_FA系列減速機_FA型減速機_GFA系列減速機_FA系列減速器_FA系列減速機生產廠家
FA系列齒輪減速馬達型號:FA28減速機,FA38減速機,FA48減速機,FA68減速機,FA78減速機,FA88減速機,FA98減速機,FA108減速機,FA128減速機,FA158減速機
FA系列電動機減速機可配變頻電機,剎車電機,防爆電機,伺服電機,交流電機,直流電機,三相電機,單相電機 0.12KW-132KW之間
如需工程師幫選型,請加微信13827261050,留言告知工程師參數要求
標簽:   FA158減速機 FA157斜齒輪平行軸減速機 FA157系列減速機 FA157減速機傳動比 FA157減速機選型參數 FA157減速機CAD三維圖
